Zum Inhalt springen

Das ist ein Test-Shop – derzeit keine echten Bestellungen möglich.

Home / Products / Schutzbügel für Wand- und Rohrbefestigung, A1
Produktbeschreibung Plus

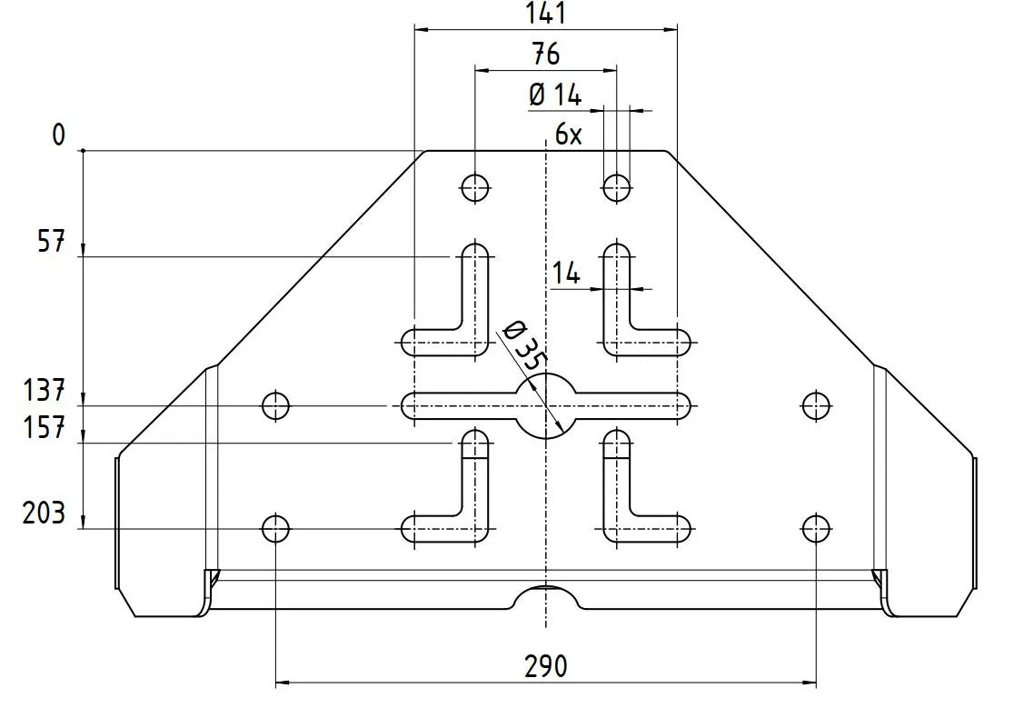
Schutzbügel für Wand- und Rohrbefestigung, A1

Der Schutzbügel für Wand- und Rohrbefestigung, A1 bietet zuverlässigen Schutz und Stabilität für Stall- und Weideeinrichtungen. Er eignet sich optimal für die sichere Montage an Wand oder Rohr und ist speziell auf die Modelle Lac 55 und F60 abgestimmt.

Robuster, verzinkter Stahl sorgt für hohe Langlebigkeit und zuverlässigen Korrosionsschutz. Mit einem Gewicht von 5,70 kg steht der Schutzbügel für eine besonders stabile Ausführung, die den täglichen Anforderungen im Tierhaltungsbereich gerecht wird.

Ideal geeignet für:

  • Milchkühe
  • Mutterkühe
  • Bullen
  • Kälber
  • Pferde
  • Ponys

Produktvorteile auf einen Blick:

  • Für Wand- und Rohrbefestigung
  • Passend für Modell Lac 55 und F60
  • Stahl verzinkt – robust und langlebig
  • Gewicht: 5,70 kg
Geeignet für Milchkühe, Mutterkühe, Bullen, Kälber, Pferde, Ponys
Material Stahl verzinkt
Gewicht 5,70 kg
Befestigung Wand und Rohr
Kompatibilität Lac 55, F60

Angaben zum Hersteller

PATURA KG | Mainblick 1 | 63925 Laudenbach | Deutschland | +49 9372 9474 0 | info@patura.com